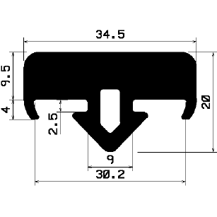
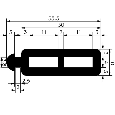
Profiles

Spacer and bumper profiles